Как спроектировать ЛВС для производственных предприятий
Содержание:
- Особенности сетевой инфраструктуры на производственных объектах
- Требования к надёжности и отказоустойчивости ЛВС
- Выбор кабельной системы и оборудования для производства
- Сегментация сети и обеспечение промышленной безопасности
- Масштабируемость и обслуживание ЛВС на предприятии
В условиях повышенных нагрузок, агрессивной среды и строгих требований к бесперебойной работе сети ошибки на этапе проектирования могут привести к простоям, сбоям оборудования и финансовым потерям. Поэтому при разработке ЛВС для производства необходимо учитывать как технические, так и эксплуатационные факторы.
Грамотно спроектированная сеть обеспечивает надёжную передачу данных, высокий уровень отказоустойчивости и возможность масштабирования. Она становится важной частью цифровой инфраструктуры предприятия и основой для внедрения современных промышленных технологий и систем управления.
Особенности сетевой инфраструктуры на производственных объектах
Сетевая инфраструктура на производственных объектах работает в более сложных условиях по сравнению с офисными сетями. Здесь на оборудование и кабельные линии воздействуют повышенные температуры, пыль, вибрации и электромагнитные помехи от промышленного оборудования. Поэтому при проектировании ЛВС необходимо учитывать требования к промышленному исполнению компонентов и повышенной надёжности.
Производственные сети часто обслуживают критически важные системы — автоматизированные линии, системы управления технологическими процессами (SCADA), датчики и контроллеры. Для таких систем недопустимы длительные задержки и потери данных, что требует низкой латентности, стабильных соединений и приоритизации трафика.
Особенностью ЛВС на производстве является необходимость интеграции различных типов устройств и протоколов. В одной сети могут одновременно работать промышленные контроллеры, серверы, рабочие станции и системы видеонаблюдения. Это требует гибкой архитектуры сети и продуманной сегментации.
Кроме того, производственная инфраструктура должна быть готова к расширению и модернизации. Добавление нового оборудования, автоматизированных линий и систем мониторинга не должно приводить к полной переработке сети. Использование масштабируемых решений и качественной кабельной системы позволяет обеспечить долгосрочную эффективность ЛВС на предприятии.
Требования к надёжности и отказоустойчивости ЛВС
Для производственных предприятий надёжность локальной вычислительной сети является критически важным фактором, так как любые сбои могут привести к остановке технологических процессов и финансовым потерям. При проектировании ЛВС необходимо заранее закладывать механизмы отказоустойчивости и защиты от непредвиденных ситуаций.

Основные требования к надёжности и отказоустойчивости ЛВС на производстве:
- Резервирование ключевых элементов сети. Использование дублирующих коммутаторов, маршрутизаторов и серверов для исключения единичных точек отказа.
- Резервные кабельные линии и маршруты.Прокладка альтернативных трасс связи для обеспечения непрерывной передачи данных при повреждении основной линии.
- Промышленное исполнение оборудования. Применение устройств, рассчитанных на работу в условиях повышенной температуры, пыли и вибраций.
- Минимальные задержки и стабильность соединений. Обеспечение низкой латентности и приоритизации трафика для критически важных систем управления.
- Защита от электромагнитных помех. Использование экранированных кабелей и оптоволокна для повышения устойчивости сети.
- Надёжное электропитание. Применение источников бесперебойного питания и резервных линий электроснабжения для сетевого оборудования.
Соблюдение этих требований позволяет создать устойчивую и предсказуемую сетевую инфраструктуру, способную обеспечивать бесперебойную работу производственных процессов даже в сложных условиях эксплуатации.
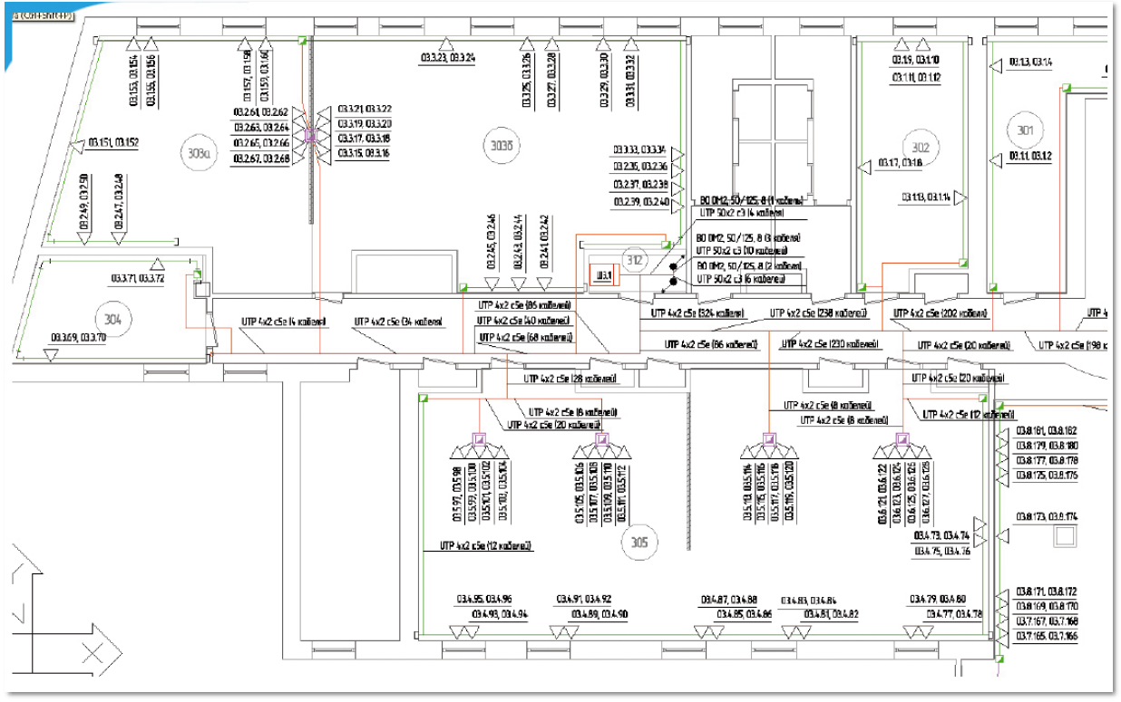
Выбор кабельной системы и оборудования для производства
Правильный выбор кабельной системы и сетевого оборудования является ключевым фактором надёжной работы ЛВС на производственном предприятии. При проектировании необходимо учитывать условия эксплуатации, требования к скорости передачи данных и устойчивость к внешним воздействиям.

Основные критерии выбора кабельной системы и оборудования для производства:
- Использование оптоволокна для магистралей. Оптоволоконные линии обеспечивают высокую помехозащищённость, стабильную работу на больших расстояниях и подходят для соединения цехов и зданий.
- Промышленные медные кабели. Для подключения оборудования и рабочих зон применяются экранированные кабели с усиленной оболочкой, устойчивые к механическим нагрузкам и агрессивной среде.
- Промышленное сетевое оборудование. Коммутаторы и маршрутизаторы должны поддерживать расширенный температурный диапазон и иметь защиту от вибраций и пыли.
- Поддержка PoE и промышленных протоколов. Важно учитывать возможность питания устройств по сети и совместимость с промышленными стандартами передачи данных.
- Сертификация и соответствие стандартам. Используемые компоненты должны соответствовать отраслевым и международным стандартам, что гарантирует надёжность и долгий срок службы.
Комплексный подход к выбору кабельной системы и оборудования позволяет создать устойчивую ЛВС, адаптированную к специфике производственных процессов и готовую к дальнейшему развитию.
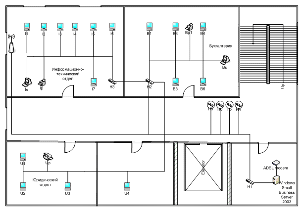
Сегментация сети и обеспечение промышленной безопасности
Сегментация сети является одним из ключевых инструментов обеспечения безопасности ЛВС на производственных предприятиях. Разделение сети на логические и физические сегменты позволяет изолировать критически важные системы управления, снизить риски распространения инцидентов и повысить управляемость сетевой инфраструктуры.

В производственной среде сегментация помогает разграничить доступ между офисной IT-инфраструктурой и промышленными системами (OT), такими как SCADA, PLC и системы мониторинга. Это снижает вероятность несанкционированного доступа и минимизирует влияние киберинцидентов на технологические процессы.
Примеры сегментации сети и их роль в обеспечении промышленной безопасности:
Сегмент сети | Назначение | Уровень доступа | Меры безопасности |
Офисная сеть | Рабочие станции и офисные сервисы | Ограниченный | VLAN, межсетевой экран |
Производственная сеть (OT) | SCADA, PLC, датчики | Строго ограниченный | Изоляция, ACL, мониторинг |
Серверный сегмент | Серверы и системы хранения | Контролируемый | Межсетевые экраны, сегментация |
Гостевая сеть | Временные подключения | Минимальный | Полная изоляция |
Управляющая сеть | Администрирование оборудования | Привилегированный | Доступ по спискам, аудит |
Грамотно реализованная сегментация сети повышает уровень промышленной безопасности, снижает риски простоев и позволяет эффективно управлять доступом к критически важным ресурсам предприятия.
Масштабируемость и обслуживание ЛВС на предприятии
Масштабируемость локальной вычислительной сети является важным требованием для производственных предприятий, где инфраструктура постоянно развивается и дополняется новым оборудованием. ЛВС должна проектироваться с запасом по пропускной способности и возможностью подключения дополнительных устройств без существенной перестройки сети.

Использование структурированной кабельной системы и модульной архитектуры позволяет гибко расширять сеть по мере роста предприятия. Добавление новых производственных линий, рабочих зон или систем мониторинга становится проще и требует минимальных временных и финансовых затрат.
Обслуживание ЛВС на производстве должно быть организовано с учётом непрерывности технологических процессов. Регулярный мониторинг состояния сети, профилактические проверки оборудования и анализ производительности позволяют выявлять потенциальные проблемы до их перехода в аварийную стадию.
Наличие актуальной документации, маркировки кабелей и стандартизированных решений существенно упрощает диагностику неисправностей и ускоряет восстановление работоспособности сети. Это особенно важно в условиях ограниченного времени на проведение технических работ.
Грамотно спроектированная ЛВС для производственного предприятия должна быть надёжной, безопасной и готовой к масштабированию. Учет специфики производственной среды и требований к отказоустойчивости позволяет создать устойчивую сетевую инфраструктуру.
Комплексный подход к проектированию, обслуживанию и развитию ЛВС обеспечивает стабильную работу технологических процессов, снижает риски простоев и создаёт прочную основу для цифровой трансформации производства.
